chevron_left
Menu
Turck
search
Loading
add_shopping_cart
chevron_left
Menu
Home
Products
person
Login
add_shopping_cart
DW1000-110-PA-H1441 | TURCK - Your Global Automation Partner
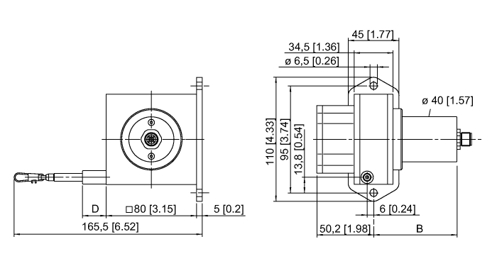
Draw-Wire
DW1000-110-PA-H1441
Order ID no. 1544542
home
Home
Loading...
Technical Data
Protection class
IP65
Output function
Potentiometer
Design
Draw Wire
Electrical connection
Connector
Connector type
M12 × 1
Housing material
Titanium anodized aluminium
Ambient temperature min. (°C)
-20
Ambient temperature max. (°C)
85
Measuring principle
Potentiometer
Operating voltage
DC
Measuring range (mm)
1000
Measuring range
1000…0.0 mm
Key Features
Electrical connection
Connector
Measuring range (mm)
1000
Output function
Potentiometer
home
Turck-Shop
Sensors
Linear Position Sensors
DW1000-110-PA-H1441
In Stock
List Price
A$2,534.04
Item Total
A$2,534.04
Quantity
−
+
add_shopping_cart
Add to Cart
Contact Support