chevron_left
Menu
Turck
search
Loading
add_shopping_cart
chevron_left
Menu
Home
Products
person
Login
add_shopping_cart
JBBS-49SC-T635 | TURCK - Your Global Automation Partner
IP66 Junction Box, 6-Channel
JBBS-49SC-T635
Order ID no. 6884282
home
Home
Loading...
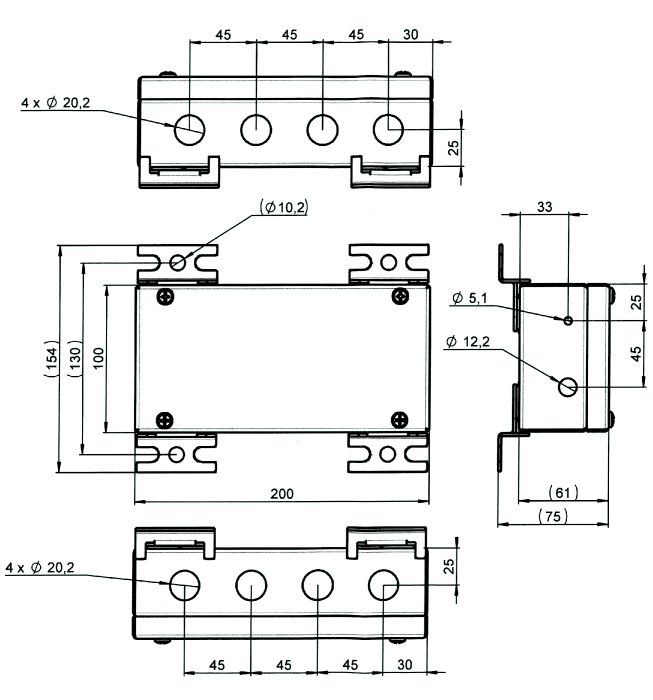
Technical Data
Protection class
IP66
Network protocol
FOUNDATION fieldbus, PROFIBUS-PA
Application
Data
Electrical connection
Cable gland
Housing material
Stainless steel
Housing quality
1.4301 (AISI 304)
Ambient temperature min. (°C)
-25
Ambient temperature max. (°C)
60
Number of channels
6
Connection technology signal
Cable gland
Key Features
Network protocol
FOUNDATION fieldbus, PROFIBUS-PA
Protection class
IP66
home
Turck-Shop
Fieldbus Technology
PA Bus Components
JBBS-49SC-T635
In Stock
List Price
A$2,472.59
Item Total
A$2,472.59
Quantity
−
+
add_shopping_cart
Add to Cart
Contact Support